江蘇射陽華力紡織機(jī)械有限公司 |
|
| 聯(lián)系人:錢祥 | 電話:0515-82027333 |
| 傳真:0515-82027222 | 地址:江蘇省射陽縣城合德工業(yè)園區(qū)合德路31號 |
| 郵編:224300 | 郵箱:tangzichun@126.com |
| 網(wǎng)址:http://www.jshlfj.com | |
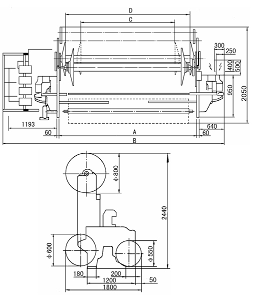
SSG923單速調(diào)漿桶 |
|
|
|
|
|
|









|
無錫二橡膠股份有限公司 |
常州市潤源經(jīng)編機(jī)械有限公司 |
|
青島云龍紡織機(jī)械有限公司 |
黃石經(jīng)緯紡織機(jī)械有限公司 |